>公告通知
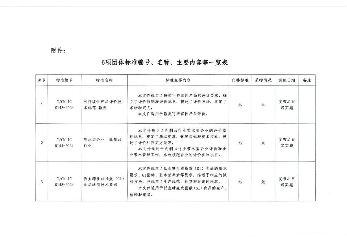
关于批准发布《可持续性产品评价技术规范 鞋类 》等6项团体标准的公告
2024-07-02 来源:


相关新闻
版权声明
1、凡本网注明“来源:
” 的作品,版权均属于
,未经本网授权,任何单位及个人不得转载、摘编或以其它方式使用。已经本网授权使用作品的,应在授权范围内使用,并注明“来源:
”。违反上述声明者,本网将追究其相关法律责任。
2、凡本网注明 “来源:XXX(非
)” 的作品,均转载自其它媒体,转载目的在于信息之传播,并不代表本网赞同其观点和对其真实性负责。
3、如因作品内容、版权和其它问题需要同本网联系的,请于转载之日起30日内进行。
4、免责声明:本站信息及数据均为非营利用途,转载文章版权归信息来源网站或原作者所有。